Функция AUTOadapt
Тип: циркуляционный поверхностный; Максимальная мощность: 0,008 кВт; Максимальный напор: 1,2 м; Напряжение: 230 В; Материал корпуса: латунь
Информация на сайте представлена для ознакомления и не является публичной офертой.
У вас есть список материалов для дома?
Мы дадим гарантированно самую низкую цену в РБ
Присылайте спецификацию на почту osn.by@yandex.ru
- Описание
- Отзывы о товаре
- Задать вопрос
- Дополнительно
-
Описание
Циркуляционный насос Grundfos UP - это насос с теплоизолирующим кожухом. Проточная часть насоса надежно изолирована от статора сферической оболочкой.
Двигатель с «мокрым» ротором обеспечивает практически бесшумную работу агрегата.
При необходимости насос легко разбирается без снятия корпуса с трубопровода.
Специального технического обслуживания не требуется.
Функция AUTOadapt регистрирует режим потребления воды и включает насос только в те часы, когда это необходимо. Благодаря ротору на постояных магнитах и функции AUTOadapt обеспечивается высокая энергоэффективность насоса. Экономия электроэнергии до 96%.
типовое обозначение (пример):

принцип действия:
По своему устройству насос циркуляционный похож на дренажную установку: корпус выполнен из нержавеющих металлов, имеет керамический ротор и вал, оснащенный лопастным колесом.
Ротор приводит в действие электродвигатель. Такая система забирает воду с одной стороны и нагнетает в трубопровод с другой. Центробежная сила помогает воде двигаться по системе. Насос позволяет преодолеть сопротивление, которое неизменно возникает на отдельных участках отопительного трубопровода.
схема установки:

преимущества:
Таймер и термостат в комплекте;
Функция AUTOadapt;
Высокий пусковой момент обеспечивает лёгкий запуск насоса;
Графитовый упорный подшипник;
Простое электрическое подключение;
Защитная гильза ротора и подшипниковая пластина из нержавеющей стали;
Рабочее колесо из материала, устойчивого к коррозии - композитный материал с матрицей из стекловолокна;
Минимальный шум в системе отопления, удобство управления;
Не требуется удаление воздуха из насоса;
Компактный дизайн;
Длительный срок службы.габариты:
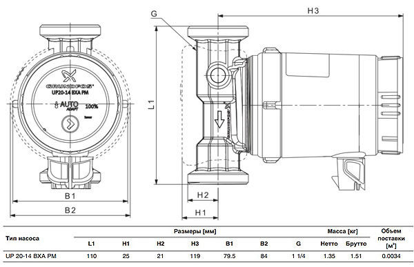
Вес 2,5 кг Длина 158 мм Ширина 84 мм Высота 80 мм Потребляемая мощность 0,008 Вт Установка насоса вертикальная/горизонтальная Температура воды, макс 110 °C Диаметр разъема соединения 1 1/2 Качество воды чистая Макс. напор 1.2 м Пропускная способность 0.50 м3/час Таймер есть Функция AUTOadapt есть Термостат есть Тип ротора мокрый ротор Тип поверхностного насоса циркуляционный Тип насоса поверхностныйПроизводитель: GRUNDFOS Holding A/S. Denmark, Poul Due Jensens Vej 7 DK-8850 Bjerringbro, Дания
Сервисный центр: г. Минск, 220018, ул. Шаранговича, 19 Тел./факс: 8 (017) 314-78-43
Гарантия: 36 мес.
Тип поверхностный Ширина, мм 84 мм Пропускная способность 0.50 м3/час Длина, мм 158 мм Термостат есть -
Вы можете задать любой интересующий вас вопрос по товару, наличию или работе магазина.
Наши специалисты обязательно вам помогут.
-
- Доставка: По Минску - в день заказа. По РБ - до 3-х дней
- Установка и монтаж отопительного оборудования, проектирование
- Возврат: В течении 14 дней. Обмен: В течении 30 дней
Информация на сайте представлена для ознакомления и не является публичной офертой. После оформления с Вами свяжется менеджер для подтверждения наличия товаров в магазине, или придёт уведомление на оставленный Вами email об отсутствии и возможных (или не возможных) сроках поставки. Спасибо за понимание.
Все технические описания устройств в нашем каталоге базируются на основании информации, взятой только из официальных источников, в том числе с официальных сайтов производителей, достоверность которых не вызывает у нас сомнения.
К сожалению, даже официальные документы могут содержать ошибки и опечатки - это не позволяет нам утверждать, что абсолютно все, указанные нами данные точны и соответствуют действительности. Практически все производители оставляют за собой право вносить изменения в характеристики или комплектацию товара без предварительного уведомления.
Мы настоятельно рекомендуем пользоваться опубликованной информацией в качестве основного обзора товара, и при совершении покупки уточнять параметры, имеющие для Вас большую значимость, у наших менеджеров.
Будем рады осуществить доставку в следующие регионы Беларуси: Брест, Брестская область. Гомель, Гомельская область. Витебск, Витебская область, Могилев, Могилевская область, Гродно, Гродненская область. Минск, Минская область.















